Passa al contenuto principale

ATTENZIONE

Condizioni personalizzate e giacenze solo loggandosi

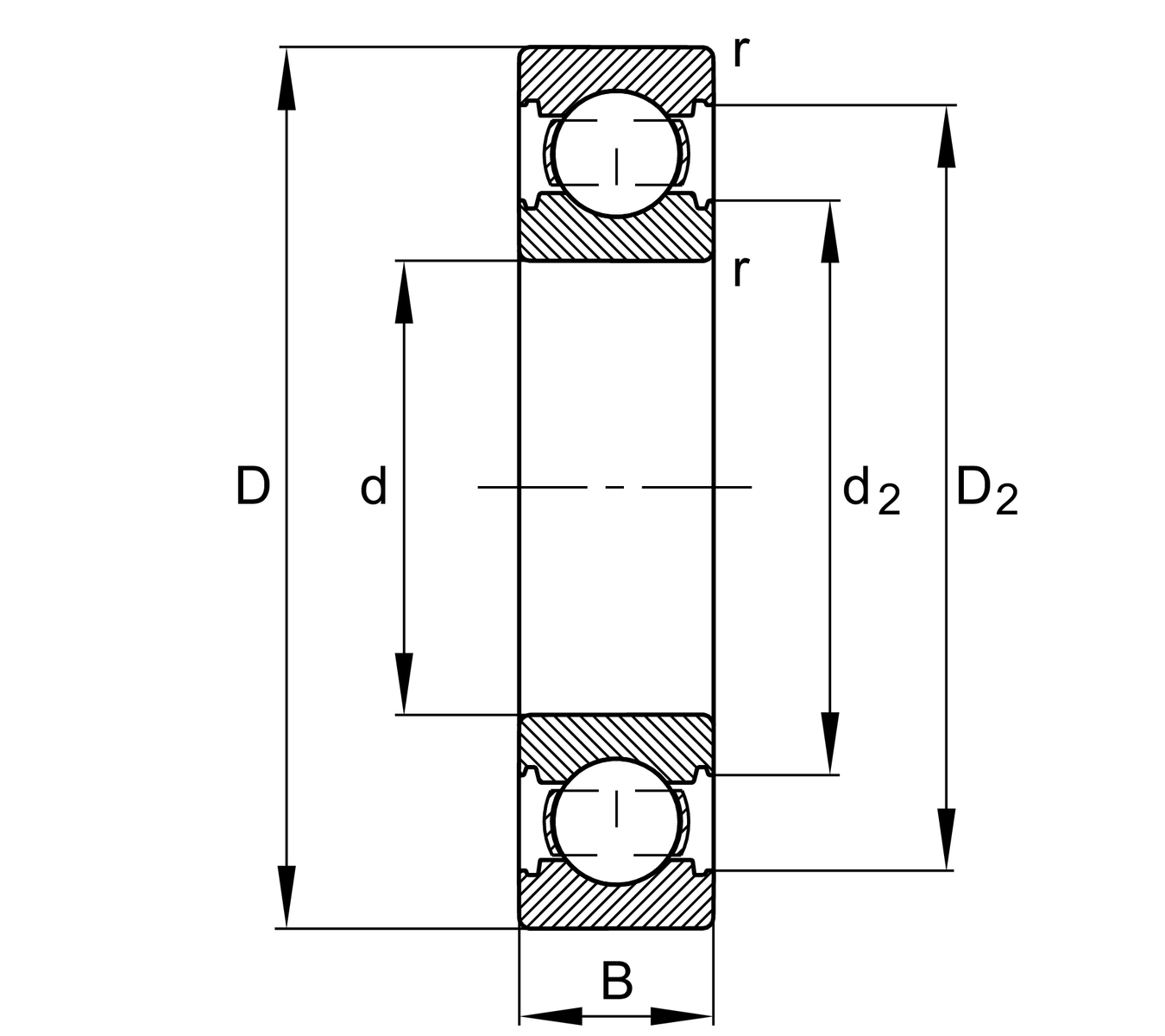
6000-C FAG 10 x 26 x 8

Info sui prodotti "6000-C FAG 10 x 26 x 8"